Maximus Envirotech Pvt. Ltd Maximus Envirotech Pvt. Ltd
INQUIRY
  • Home
  • About us
  • Products
    • Incinerator
      • Bio Medical Waste Incinerator
      • Municipal Waste Incinerator
      • Hazardous Waste Incinerator
    • Water Pollution Control Equipment
      • Surface Aerators
      • Agitator Mixer
      • Pressure Sand Filter
      • Activated Carbon Filter
      • Clarifiers & Clariflocculators
      • Dual Media Filter
    • Air Pollution Control Equipment
      • Dual Media Filter
      • Venturi Scrubber
      • Packed Tower Scrubber
      • Cyclone & Multi Cyclone Separator
    • Waste Water Treatment Plant
      • Packaged Sewage Treatment Plant (MBBR)
      • Packaged Effluent Treatment Plant (MBBR)
  • Applications
  • Quality
  • Contacts Us
Products / Incinerator

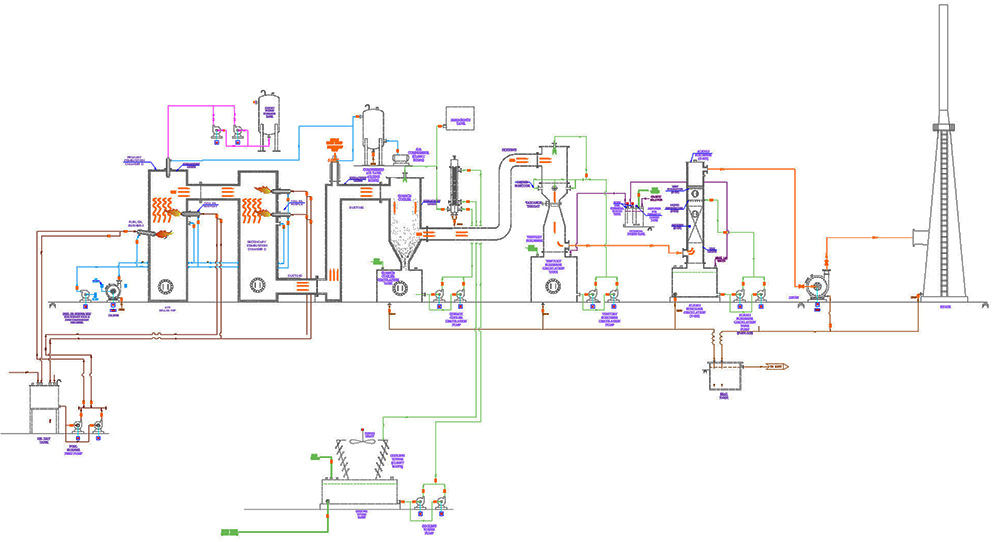
Municipal Waste Incinerator

Municipal Waste Incinerator is a waste treatment technology that involves the combustion of waste at high temperatures. Incineration and other high temperature waste treatments are described as “thermal treatment”. In effect, incineration of waste materials converts the waste into heat (that can be used to generate electricity), sends gaseous emissions to the atmosphere, and makes residual ash.

INCINERATOR

Waste management has become a major concern worldwide and incineration is now being increasingly used to treat waste which cannot be economically recycled or treated. Incineration is a waste treatment technology that involves the combustion of organic materials. Incineration of waste materials converts waste into Incinerator bottom ash, flue gas, particulates and heat. The flue gases are cleaned before dispersing in the atmosphere.

Maximus Envirotech offers incineration solutions for wide range of waste. Our wide experience & exhaustive analysis of the problems helps in providing right type of solutions for different types of waste. Our incinerators are state of the art units specially designed considering physical & chemical properties of wastes. Our incinerators are operated by PLC controlled system to ensure failsafe and error free operation.

PRIMARY FURNACE

The waste is charged into this chamber through special waste feeding systems to ensure no exposure of people working near the furnace. The waste is incinerated in this furnace in oxygen rich atmosphere. In this furnace waste is decomposed into volatile gases and carbonaceous material. The furnace is maintained under negative draft and the low velocity of gases helps in minimizing carryover of particulate matter. The furnace temperature is closely controlled between 850 Deg C & 900 Deg C using Auto operation of Burner. The ashes are removed from the furnace after operation from Ash Door.

SECONDARY FURNACE

The Flue gases coming from the primary furnace containing volatiles & unburnt carbonaceous material is burnt in secondary furnace in turbulent conditions. Complete oxidation of the flue gases is ensured by maintaining temperature above 1000 Deg C & supply of additional Air. A proper residence time is ensured for complete destruction of all volatiles.

SALIENT FEATURES

  • Incineration system Built in with 100% compliance to the requirement of Environmental rules of India as well as International Norms.
  • Incineration system with two distinct furnaces i.e primary furnace & secondary furnace with independent burner system.
  • Online monitoring system for monitoring different parameters in flue gases like CO, CO2, HCl, NOx, SO2 and many more as per the requirement.
  • Automatic Feeding of Solid & Liquid Waste into the primary Furnace.
  • Operates on variety of Auxiliary Fuels like Furnace Oil, LDO, HSD, Natural Gas.
  • Automatic function operation using PLC and SCADA system for optimum operation.
  • Heat Recovery systems for utilization of waste heat from flue gases.

SAFETY INTERLOCKS

  • Automatic On/OFF of Fuel Burners corresponding to Low & High Temperature of Furnace.
  • Automatic shutdown of entire system in case of tripping of ID fan or Recirculation Pump.
  • No Waste loading unless temperature of Primary & secondary Furnace reaches desired temperatures.
  • Realtime temperature logs and recording of alarms and other incidences to know the exact mode of operation.
  • Venting of Exhaust gases from primary & secondary furnace in case of power failures or emergency shutdowns to prevent any accident or damage to the system.
Like to work with us? We’d love to hear from you.
Contact Us

Maximus Envirotech Pvt. Ltd as an emerging engineering company engaged in providing Waste Management Solutions and Pollution Control Equipments. Our Company is a 15 years experience company with highly qualified and experienced directors accompanied by Qualified and experienced personnel.

Products

  • Bio Medical Waste Incinerator
  • Municipal Waste Incinerator
  • Hazardous Waste Incinerator
  • Packaged Effluent Treatment Plant (MBBR)
  • Packaged Sewage Treatment Plant (MBBR)
  • Cyclone & Multi Cyclone Separator
  • Packed Tower Scrubber

ISO 9001 : 2015 CERTIFIED

info@maximusenvirotech.com Drop Us a Line
+91 9898 103040 Call Us Now
Copyright 2021 © All Rights Reserved. Maximus Envirotech Pvt. Ltd

WhatsApp us